|
0.09KW 0.12HP 三相交流感应异步马达IEC电动机
收藏
商品说明
商品参数
0.09KW 0.12HP 三相交流感应异步马达IEC电动机1. 特点 铝制箱体,重量轻; 体积小,结构简单; 底脚可拆卸 2. 使用条件 环境温度:-15~40°C 海拔: 1000 masl 湿度:≦ 90% 防护等级:IP44、IP54、IP55 绝缘等级:F、H 3. 参数
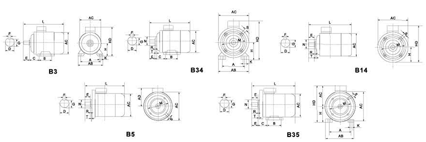
4. 尺寸
|
|||||||||||||||||||||||||||||||||||||||||||||||||||||||||||||||||||||||||||||||||||||||||||||||||||||||||||||||||||||||||||||||||||||||||||||||||||||||||||||||||||||||||||||||||||||||||||||||||||||||||||||||||||
