0.18KW 0.25HP 三相交流感应异步马达IEC电动机
1. 特点
可支持底脚或法兰安装;
输出轴可定制;
2. 运行条件
效率:-0.1 x (1-η)
功率因数:- (1- cos ϕ)/6, -0.02(min.)
旋转:±20%
锁定电流:±20%
锁定扭矩:-15%,+20%
最大限度。 扭矩:-10%
3. 参数
型号 | 功率 | 电流 | 转速 | 效率 | 服务系数 | Tmax | 噪音 | 重量 |
kW | hp | 380V | 400V | 415V | r/min | η% | cos ϕ | Tn | dB(A) | kg |
563-2 | 0.18 | 0.25 | 0.59 | 0.56 | 0.54 | 2820 | 75 | 0.62 | 3.1 | 48 | 3.8 |
631-2 | 0.18 | 0.25 | 0.59 | 0.56 | 0.54 | 2820 | 75 | 0.62 | 3.1 | 54 | 4 |
632-4 | 0.18 | 0.25 | 0.66 | 0.62 | 0.6 | 1380 | 67.3 | 0.62 | 2.6 | 40 | 4.2 |
711-6 | 0.18 | 0.25 | 0.62 | 0.59 | 0.57 | 895 | 60.4 | 0.73 | 2 | 42 | 5.6 |
801-8 | 0.18 | 0.25 | 1.03 | 0.98 | 0.95 | 665 | 49.9 | 0.53 | 1.9 | 52 | 9.4 |
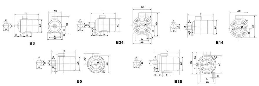
4. 尺寸

型号 | 安装尺寸 | 法兰尺寸 |
| IMB14 | IMB5 | AB | AC | AD | HD | L |
| A | B | c | D | E | F | G | H | K | R | S | T | M | N | P | R | S | T |
56 | 90 | 71 | 36 | 9 | 20 | 3 | 7.2 | 56 | 5.8 | 0 | M5 | 2.5 | 100 | 80 | 120 | 0 | 7 | 3 | 110 | 120 | 100 | 155 | 195 |
63 | 100 | 80 | 40 | 11 | 23 | 4 | 8.5 | 63 | 7 | 0 | M5 | 2.5 | 115 | 95 | 140 | 0 | 10 | 3 | 125 | 130 | 110 | 173 | 215 |
71 | 112 | 90 | 45 | 14 | 30 | 5 | 11 | 71 | 7 | 0 | M6 | 2.5 | 130 | 110 | 160 | 0 | 10 | 3.5 | 140 | 150 | 117 | 188 | 246 |
80 | 125 | 100 | 50 | 19 | 40 | 6 | 15.5 | 80 | 10 | 0 | M6 | 3 | 165 | 130 | 200 | 0 | 12 | 3.5 | 155 | 160 | 113 | 192 | 284 |